Фильтр грубой очистки топлива ЯМЗ (пр-во ЯМЗ)
|
6 345 ₴
в наличии
|
- Производитель
- ЯМЗ
- Каталожный номер
- 204А-1105510-Б
- Схемы
- смотреть →
Применяемость
- Товарная группа:
- - Двигатели ЯМЗ запчасти
Применяемость по схемам
|
Фильтр грубой очистки топлива » Двигатель
|
|
|
|
Фильтр грубой очистки топлива » Двигатель
|
|
|
|
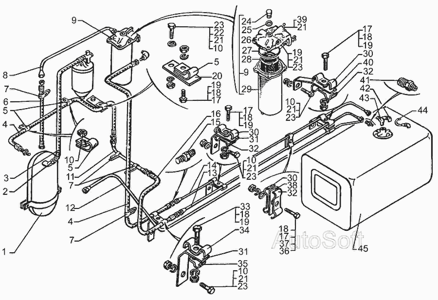
Фильтр грубой очистки топлива двигателей ЯМЗ-238БЕ2-2, ЯМЗ-238ДЕ2-2 для автомобилей КрАЗ » Двигатель
|
|
|
|
Фильтр грубой очистки топлива » Двигатель
|
|
|
|
Фильтр грубой очистки топлива » Двигатель
|
|
|
|
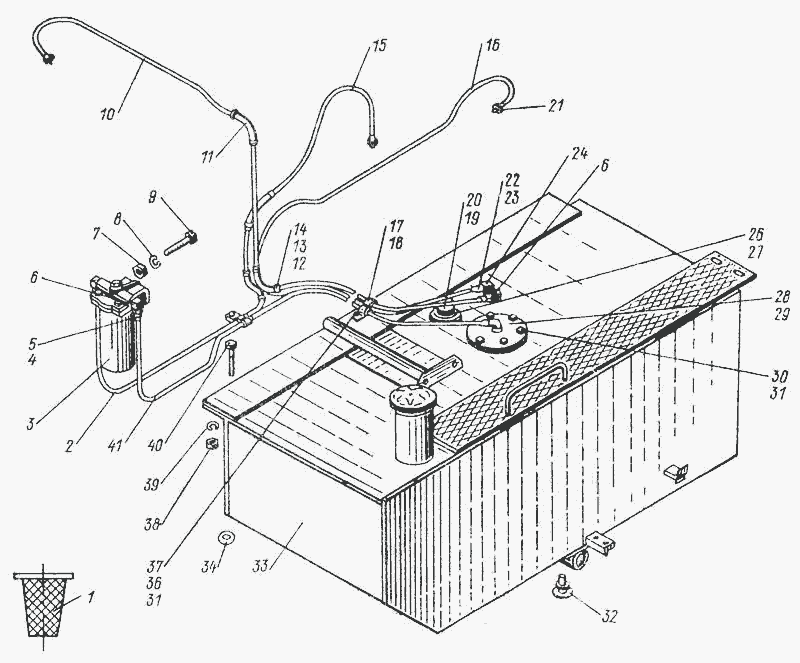
Топливный бак 6442-1101010 » Двигатель
|
|
|
|
Топливопроводы ДЗ-122Б-6.10.06.000 » Схема деления автогрейдера
|
|
Показать еще схемы ↓
