Полумуфта ведомая привода ТНВД (пр-во КАМАЗ)
|
325 ₴
в наличии
|
- Производитель
- КамАЗ, Набережные Челны
- Каталожный номер
- 740.1029286
- Схемы
- смотреть →
Применяемость
- Товар подходит к маркам/моделям авто:
- - Грузовые авто: КамАЗ
Применяемость по схемам
|
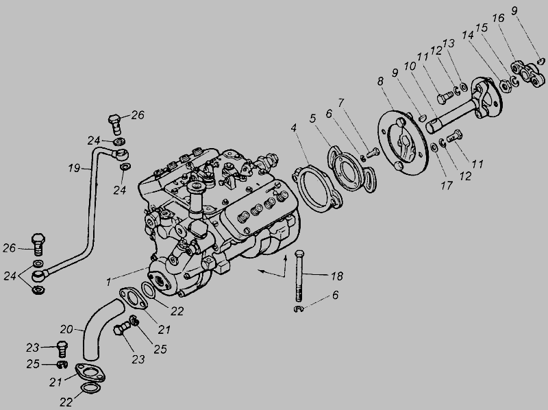
Установка и привод ТНВД » Двигатель
|
|
|
|
Привод топливного насоса высокого давления » Двигатель
|
|
|
|
Привод ТНВД » Двигатель
|
|
|
|
Привод топливного насоса » Двигатель
|
|
|
|
Привод топливного насоса » Двигатель
|
|
|
|
Привод топливного насоса » Двигатель
|
|
|
|
Привод топливного насоса высокого давления (ТНВД) » Двигатель
|
|
Показать еще схемы ↓
Каталог запчастей для автомобилей к которым применяется эта деталь
