Труба МТЗ (гидробак-труба 85-74607015) (пр-во МТЗ)
|
940 ₴
в наличии
|
- Производитель
- МТЗ (Беларусь)
- Каталожный номер
- 85-4607010
- Вес, кг:
- 0.310
- Размеры (ДxШxВ), см:
- 150.00 x 300.00 x 40.00
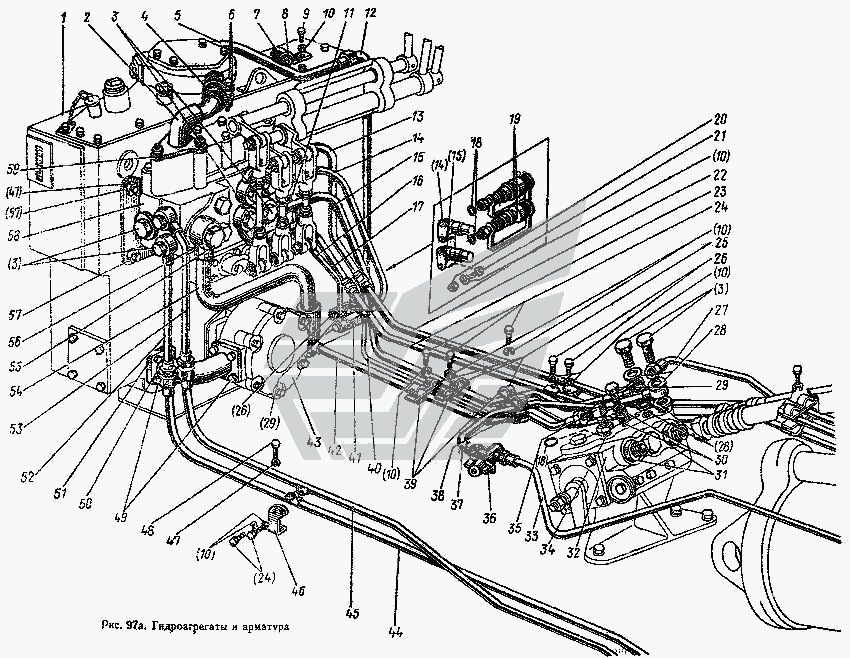
- Схемы
- смотреть →
Применяемость
- Товар подходит к маркам/моделям авто:
- - Трактора: МТЗ
- Товарная группа:
- - Гидравлика Гидронавесная система
Применяемость по схемам
|
Гидроагрегаты и арматура » Устройство прицепное
|
|
|
|
Гидроагрегаты и арматура » Устройство прицепное
|
|
|
|
Гидроагрегаты и арматура » Устройство прицепное
|
|
Каталог запчастей для автомобилей к которым применяется эта деталь
