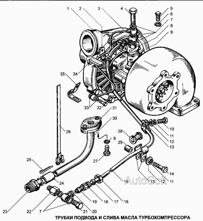
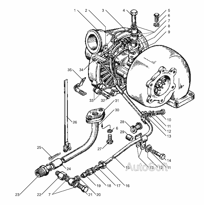
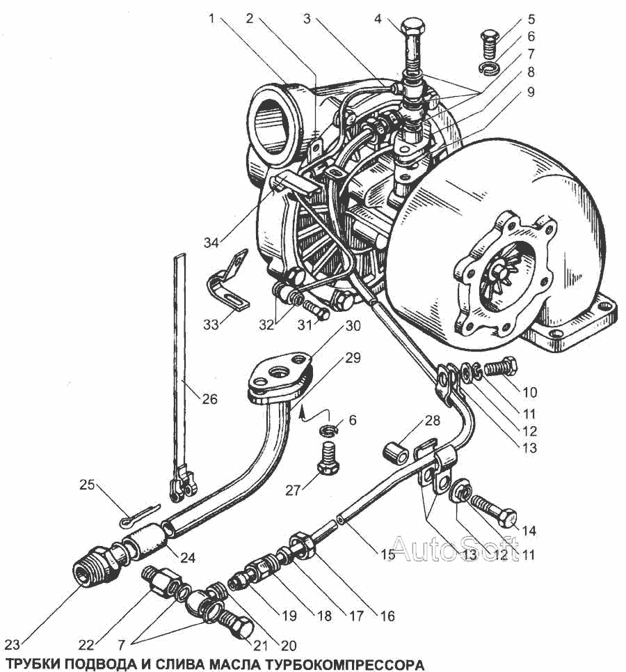
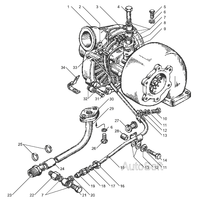
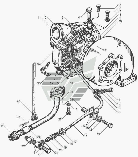
Прокладка патрубка турбокомпрессора ЯМЗ
|
5 ₴
в наличии
|
- Производитель
- МАЗ, ОАО «Минский автомобильный завод» (Беларусь)
- Каталожный номер
- 238Ф-1118322
- Схемы
- смотреть →
Применяемость
- Товар подходит к маркам/моделям авто:
- - Грузовые авто: МАЗ
- Товарная группа:
- - Детали двигателя Система питания
Применяемость по схемам
Показать еще схемы ↓
Каталог запчастей для автомобилей к которым применяется эта деталь
