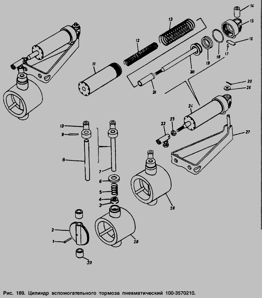
Цилиндр d36х65 вспом. (горного) тормоза пневм. (ПААЗ)
|
950 ₴
в наличии
|
- Производитель
- Полтавский Автоагрегатный Завод
- Каталожный номер
- 100.3570210
- Вес, кг:
- 0.630
- Размеры (ДxШxВ), см:
- 45.00 x 175.00 x 45.00
- Схемы
- смотреть →
16.3570210
Применяемость
- Товар подходит к маркам/моделям авто:
- - Грузовые авто: ЗИЛ
- Товарная группа:
- - Руль, тормоза Тормозная система
Применяемость по схемам
Показать еще схемы ↓
Каталог запчастей для автомобилей к которым применяется эта деталь
