Уплотнитель вернхний левый (жалюзи радиатора) (пр-во МАЗ)
|
45 ₴
в наличии
|
- Производитель
- МАЗ, ОАО «Минский автомобильный завод» (Беларусь)
- Каталожный номер
- 64221-1310060-10
- Схемы
- смотреть →
Применяемость
- Товар подходит к маркам/моделям авто:
- - Грузовые авто: МАЗ
- Товарная группа:
- - Детали двигателя Система охлаждения
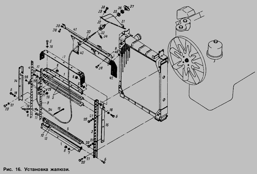
Применяемость по схемам
|
Установка жалюзи » Двигатель
|
|
|
|
Установка жалюзи » Двигатель
|
|
Каталог запчастей для автомобилей к которым применяется эта деталь
