Выключатель массы ГАЗ, ГАЗЕЛЬ, МТЗ (12В, 50А) (медная обмотка, 4 медные контакты) (DETALKA)
|
2 075 ₴
в наличии
|
- Производитель
-
DETALKA
(Украина)
- Каталожный номер
- 1300.3737
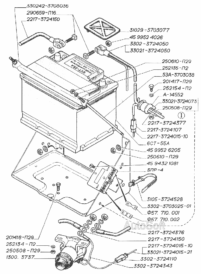
- Схемы
- смотреть →
Выключатель класса ПРЕМИУМ. Полный аналог клапана пр-во СОАТЭ. Медная контактная группа.
Вместе покупают:
505 ₴
в наличии
- Артикул:
- ФГ-305М-7
- Дорожня карта
85 ₴
в наличии
- Артикул:
- 250712-П29
- Дорожня карта
60 ₴
в наличии
- Артикул:
- 4595531-068
- DETALKA
-
Украина
90 ₴
в наличии
- Артикул:
- 51-3103008-В1
- Дорожня карта
820 ₴
в наличии
- Артикул:
- DK-840-2 LED
- Дорожня карта
825 ₴
в наличии
- Артикул:
- ФПГ-102 LED
- Дорожня карта
Применяемость по схемам
Показать еще схемы ↓
