Планка генератора МТЗ (пр-во S.I.L.A.)
|
125 ₴
в наличии
|
- Производитель
- S.I.L.A.
- Каталожный номер
- 240-3701063
- Схемы
- смотреть →
Вместе покупают:
395 ₴
склад
- Артикул:
- 240-1104160-01-02
- Дорожня карта
170 ₴
в наличии
- Артикул:
- 240-3701056-В
- Дорожня карта
120 ₴
в наличии
- Артикул:
- Р/К-406
- МПИ-Агро ООО TM RINGROUP
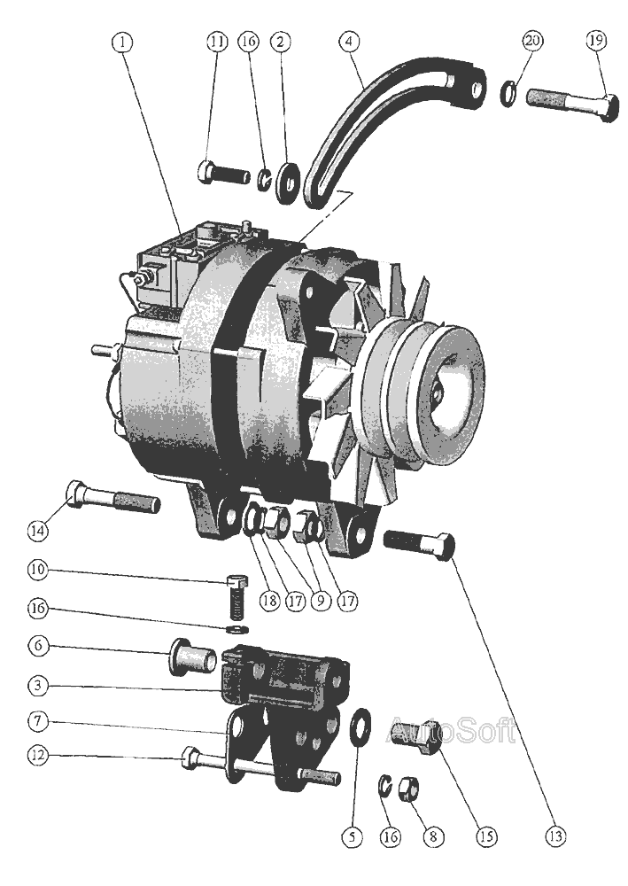
Применяемость по схемам
|
Установка генератора » Электрооборудование
|
|
|
|
Установка кронштейна генератора » Электрооборудование
|
|
|
|
Электрооборудование Установка генератора » Электрооборудование
|
|
|
|
Установка генератора » Электрооборудование
|
|
|
|
Генератор и его установка » Электрооборудование
|
|
|
|
Генератор и его установка » Электрооборудование
|
|
|
|
Установка генератора » Электрооборудование
|
|
Показать еще схемы ↓
