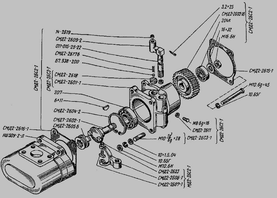
Валик СМД-18 привода НШ-32

Каталожный номер
СМД7-2602-1
Схемы
смотреть →
Применяемость
Товар подходит к маркам/моделям авто:
- Трактора: ДТ-75
Товарная группа:
- Детали двигателя Двигатель