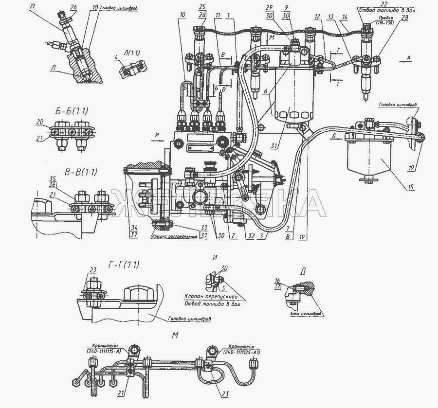
Трубка топливная высокого давления МТЗ Д-240 1-го цилиндра (пр-во S.I.L.A.)
Товара нет в наличии.
- Производитель
- S.I.L.A.
- Каталожный номер
- 240-1104300-01
- Схемы
- смотреть →
Вместе покупают:
90 ₴
в наличии
- Артикул:
- 240-1104160-02-12
- Дорожня карта
Применяемость по схемам
Показать еще схемы ↓
