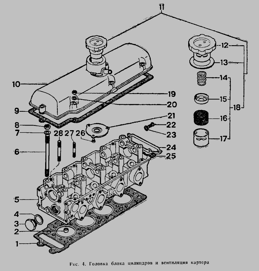
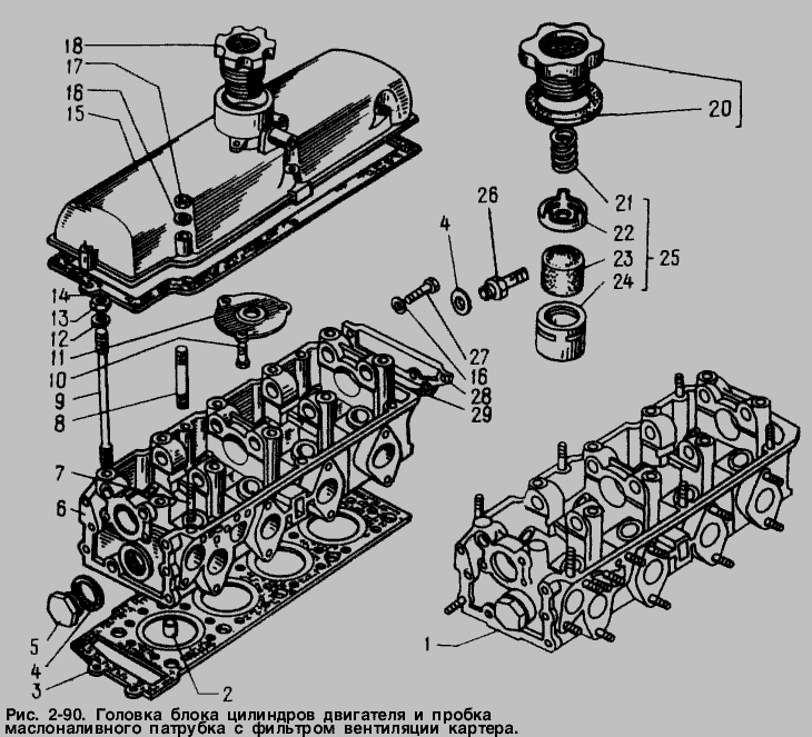
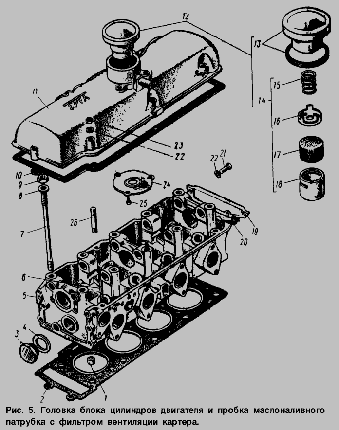
Прокладка ГБЦ Москвич 412, 2140, 2141 (выр-во Сервис-Комплектация)
Товара нет в наличии.
- Производитель
- Сервис-Комплектация ООО, Украина
- Каталожный номер
- 412-1003020-01
- Схемы
- смотреть →
Применяемость
- Товарная группа:
- - Детали двигателя Двигатель
Применяемость по схемам