Пружина форсунки Д 240,245 внутренняя (выр-во НЗТА)
|
500 ₴
в наличии
|
- Производитель
- Ногинский Завод Топливной Аппаратуры
- Каталожный номер
- 4УТНИ-1111225
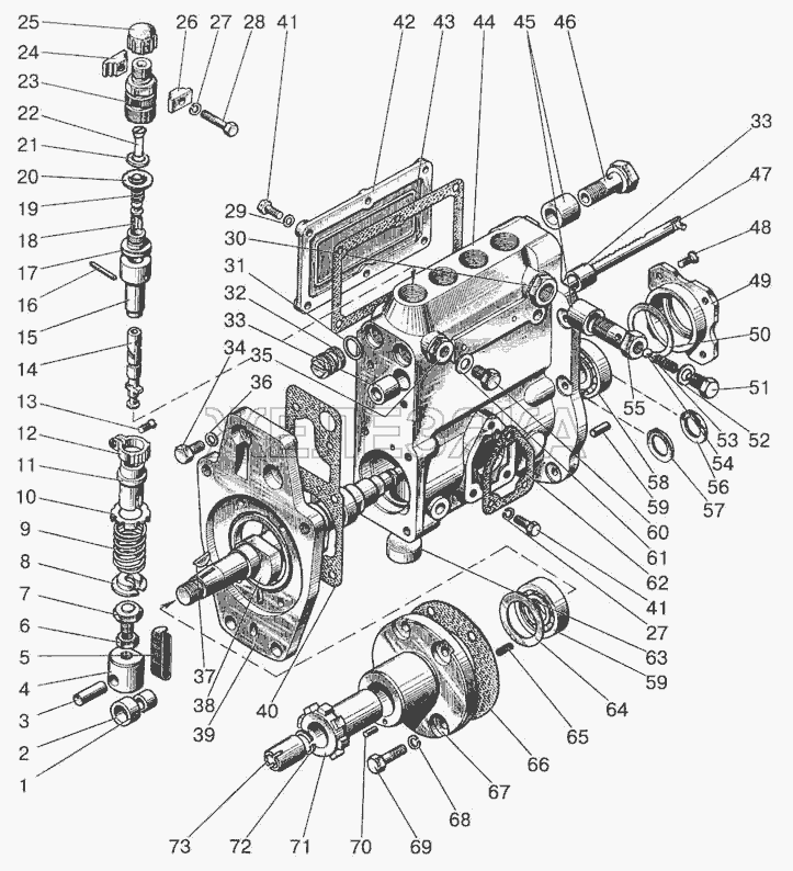
- Схемы
- смотреть →
Применяемость
- Товар подходит к маркам/моделям авто:
- - Трактора: ВгТЗ
- Товарная группа:
- - Детали двигателя Система питания
Применяемость по схемам
Каталог запчастей для автомобилей к которым применяется эта деталь
