Уплотнение стекла кабины МТЗ (замок) старого образца (31 м) (вы-во Рось-резина)

135 
 в наличии
Производитель
Рось-гума
Каталожный номер
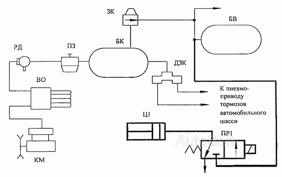
ПР-1
Схемы
смотреть →
  • Доставка по Украине
    -  на отделение Новой Почты или курьером до двери
    - самовывоз в г. Харьков
    подробнее →
  • Оплата при получении
    или другим удобным способом, подробнее →
  • Гарантия
    обмен/возврат товара в течение 14 дней, подробнее →
Применяемость
Товар подходит к маркам/моделям авто:
- Трактора: МТЗ
Товарная группа:
- Кузов Кабина